35kW 模塊化碳化硅變流器——小型儲能系統的理想之選

這款專為小型儲能系統精心打造的模塊化變流器產品,額定功率達 35kW,在儲能裝置中扮演著核心功率變換單元的關鍵角色,為儲能系統的高效穩定運行提供有力支撐。
核心設計優勢
三橋臂四線設計
獨特的三橋臂四線設計,賦予產品 100%的不平衡帶載能力。這意味著無論負載如何不平衡,變流器都能穩定運行,有效避免因負載不均導致的設備故障或性能下降,為儲能系統在復雜工況下的可靠運行提供保障。

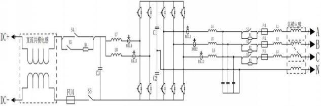
兩級拓撲結構
采用兩級拓撲結構,支持 200V – 800V 的超寬電壓范圍,能夠適配多種類型的電池。這一特性極大地拓寬了產品的應用范圍,無論是不同化學性質的電池,還是不同規格的電池組,都能與之完美匹配,滿足多樣化的儲能需求。
SIC 功率器件應用
選用 SIC(碳化硅)功率器件,使產品的最大效率超過 98%。SIC 功率器件具有高頻、高效、耐高溫等優異特性,能夠顯著降低能量損耗,提高變流器的轉換效率,從而提升整個儲能系統的能源利用效率。
精準的功率控制功能
具備單相、三相有功和無功控制功能,能夠精準解決三相不平衡問題。在電力系統中,三相不平衡會導致設備損耗增加、電能質量下降等一系列問題。該變流器通過精確的功率控制,有效平衡三相負載,保障電力系統的穩定運行,提高電能質量。
適應嚴苛環境
具有噪聲低、體積小、重量輕的特點,非常適用于用戶較多的臺區以及對公共噪聲有嚴苛要求的應用場景。低噪聲設計減少了對周邊環境的干擾,提升了用戶體驗;小巧輕便的機身則便于安裝和運輸,節省空間和成本。
寬直流操作電壓范圍
支持多種電池類型的寬直流操作電壓范圍,可實現高達 1500V 的全負載操作。這一特性使得變流器能夠適應不同電池的電壓特性,充分發揮電池的性能,同時滿足高功率輸出的需求,為儲能系統的大規模應用提供了可能。

35kW 碳化硅 PCS 特性
第三代半導體 SIC 應用
采用第三代半導體 SIC,將最大效率提升至 98.5%。SIC 材料的高性能使得變流器在轉換效率上更上一層樓,進一步降低了能源損耗,提高了儲能系統的整體效益。
內置 DCDC 雙級拓撲結構
內置的 DCDC 雙級拓撲結構,使最低直壓可兼容 200V。這種結構設計增強了變流器對不同電壓輸入的適應能力,確保在各種電池電壓條件下都能穩定工作,提高了系統的兼容性和可靠性。
三相四線制設計
三相四線制設計完美適配用戶側小容量場景。它能夠提供穩定的三相電源輸出,滿足小容量用戶的用電需求,同時保證了電力供應的質量和穩定性,為用戶提供可靠的電力支持。
這款 35kW 模塊化碳化硅變流器憑借其卓越的設計和性能,為小型儲能系統提供了高效、靈活、可靠的功率變換解決方案,是儲能領域的一款創新產品。
35kW 模塊化變流器技術參數
| 參數分類 | 參數 | 規格 |
|---|---|---|
| 電氣參數 | 直流電壓范圍 | 200~850V(滿載320~850V) |
| 電氣參數 | 直流側最大電流 | 110A |
| 電氣參數 | 允許交流電壓范圍 | 400V±15% |
| 環境與防護參數 | 工作溫度 | -20~55°C(>45°C降額) |
| 環境與防護參數 | 防護等級 | IP20 |
| 性能與其他參數 | 噪聲 | ≤75dB |
| 性能與其他參數 | 最高轉換效率 | ≥98% |
| 性能與其他參數 | 重量 | 40kg |
| 性能與其他參數 | 海拔 | <3000m,>2000m降額 |
| 性能與其他參數 | 尺寸(寬深高) | 480550173mm |
| 性能與其他參數 | 結構接線 | 一次后二次前,前進風后出風 |
這款 35kW 模塊化變流器憑借上述全面的技術參數,在小型儲能系統中展現出卓越的性能和適應性,為儲能應用提供了高效可靠的解決方案。
























